- 艾寶物聯(lián)IOBOV? ─ 工業(yè)無線測控專家
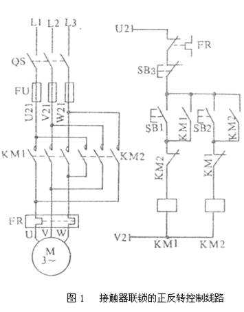
1.原理圖

2.原理分析
正轉(zhuǎn)控制:按下正轉(zhuǎn)按鈕SB1→接觸器KM1線圈得電→KM1主觸頭閉合→電動機正轉(zhuǎn),同時KM1的自鎖觸頭閉合,KM1的互鎖觸頭斷開。
反轉(zhuǎn)控制:先按下停止按鈕SB3→接觸器KM1線圈失電→KM1的互鎖觸頭閉合。然后按下反轉(zhuǎn)按鈕SB2→接觸器KM2線圈得電→從而KM2主觸頭閉合,電動機開始反轉(zhuǎn),同時KM2的自鎖觸頭閉合,KM2的互鎖觸頭斷開。
3.線路特點
對于這種線路,要改變電動機的轉(zhuǎn)向時,必須先按下停止按鈕,再按下反轉(zhuǎn)按鈕,才能使電動機反轉(zhuǎn)。